General Tech Help Good at troubleshooting? Have a non specific issue? Discuss general tech topics here...

2000 Lesabre heat issue

Thread Tools
 
Search this Thread
 
Old Mar 5, 2019 | 07:37 PM
  #1  
patcal's Avatar
Thread Starter
|
Junior Member
Joined: Aug 2016
Posts: 10
From: Portland, OR.
Default 2000 Lesabre heat issue

Greetings all,

Just bought a 2000 LeSabre Limited. I discovered that the heat is working but it is not coming out the floor at all. Heat comes out mid position. I know there is a heat blend actuator on the passenger side but not sure what controls the position the heat comes out. Would appreciate any help.

Pat Callaghan
 
Old Mar 6, 2019 | 11:17 AM
  #2  
hanky's Avatar
Senior Member
Joined: Sep 2010
Posts: 1,230
Default

Some of them are electronically controlled. What it may require is to open an area and actually see what is responding and what is not. The control module in the dash is sometimes suspect and replacement may be required.
 
Old Mar 6, 2019 | 11:20 AM
  #3  
patcal's Avatar
Thread Starter
|
Junior Member
Joined: Aug 2016
Posts: 10
From: Portland, OR.
Default

Originally Posted by hanky
Some of them are electronically controlled. What it may require is to open an area and actually see what is responding and what is not. The control module in the dash is sometimes suspect and replacement may be required.
Thanks. That's what I am going to do on my next day off. Wish there was a flow chart for the diagnosis.
 

Last edited by patcal; Mar 6, 2019 at 11:24 AM.
Old Mar 10, 2019 | 01:07 PM
  #4  
patcal's Avatar
Thread Starter
|
Junior Member
Joined: Aug 2016
Posts: 10
From: Portland, OR.
Default

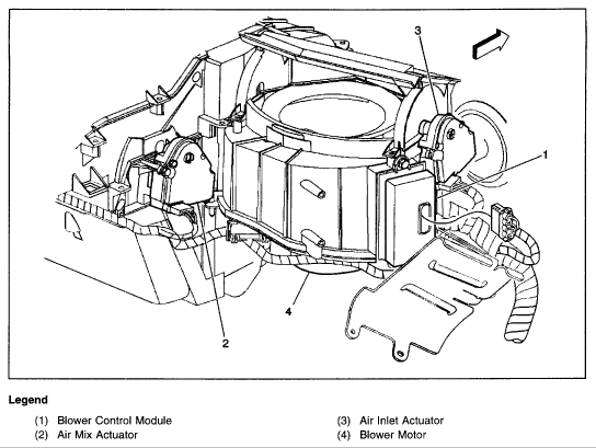
Just an update. I pulled the lower panels & checked out the actuators. All are moving but the mode door actuator shown in the attached diagram. I am assuming it is my problem but it is the most inaccessible one of the 4. I think I have to remove the radio.

 
Old Mar 12, 2019 | 04:06 PM
  #5  
hanky's Avatar
Senior Member
Joined: Sep 2010
Posts: 1,230
Default

Looks like you nailed it ! Let us know how you make out with it, thanks.
 
Old Mar 12, 2019 | 08:34 PM
  #6  
patcal's Avatar
Thread Starter
|
Junior Member
Joined: Aug 2016
Posts: 10
From: Portland, OR.
Default

Originally Posted by hanky
Looks like you nailed it ! Let us know how you make out with it, thanks.
Thank. I will.
 
Related Topics
Thread
Thread Starter
Forum
Replies
Last Post
DIYallthetime
LeSabre
0
Aug 29, 2013 06:40 PM
JOEVETTE19
General Tech Help
4
Dec 7, 2009 01:01 AM
PA1027
Electra/Park Avenue
1
Feb 25, 2007 11:04 AM




All times are GMT -5. The time now is 06:52 PM.