air conditioner giving me fits
have a 97 buick lesabre and the air conditioning system its going hay wiresometimes it comes on and works fine and other times it just wont come on even thought the a c switch is on. then when it does come on it only blows air from the bottom. its crazy stuff. need help in el paso texas...........
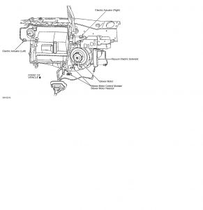
These often fail and are somewhat difficult to replace. Here is an image of the part location (small image from a borrowed source)
May have to remove glove box. I've not done this job on a Buick, but it was a horrible job on my 1997 Lincoln Town car, required me to remove dash board (move it back about 12 inches), even then very difficult to replace. Good luck.
May have to remove glove box. I've not done this job on a Buick, but it was a horrible job on my 1997 Lincoln Town car, required me to remove dash board (move it back about 12 inches), even then very difficult to replace. Good luck.
Thread
Thread Starter
Forum
Replies
Last Post
baloo
PRIVATE For Sale / Trade Classifieds
1
Jun 22, 2024 01:24 PM
IB Nolan
Off Topic
1
May 22, 2015 07:45 AM



